Liên hệ
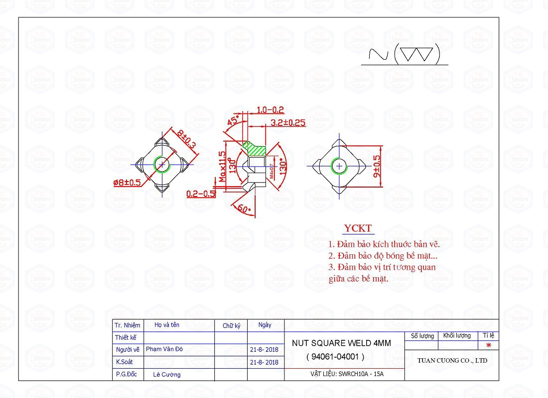
Quy cách: M4
Tiêu chuẩn: HES B011 - 03, JIS B1186
Mã hàng thông dụng:
Cấp cho Honda: 94061 - 04001
Cấp cho Yamaha: 95700 - 04200
....
Bề mặt: Hàng mộc
Vật liệu: SWRCH10A - SWRCH12A - SWRM10 - SWRCH10R
Xuất xứ: Tuấn Cường
Ứng dụng: Sử dụng trong sản xuất (hàn) khung xe máy, xe đạp điện, xe máy điện, xe ôtô,...
Thông số kỹ thuật:
